01 - 4085S
01 - 4085S
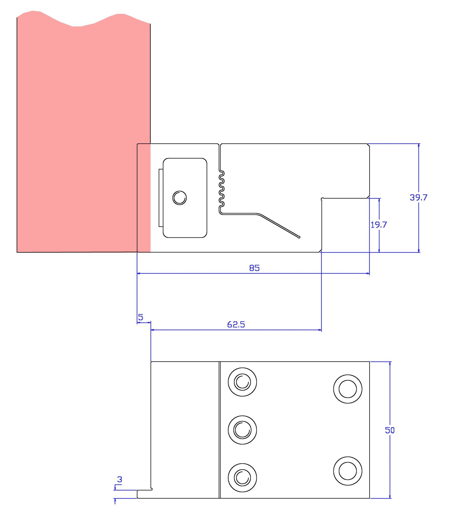
Corpo morsa regolabile
Corpo morsa regolabile
Corpo morsa regolabile con altezza 40 mm. Ruotato di 90°.
Capacità di fissaggio secondo il ganascino utilizzato.
Per l'ancoraggio alla tavola macchina è necessaria una base della linea 02 o di una traversa.
Permette di fissare particolari sullo stesso piano della tavola macchina.
CHF 922,00











