01 - 6085

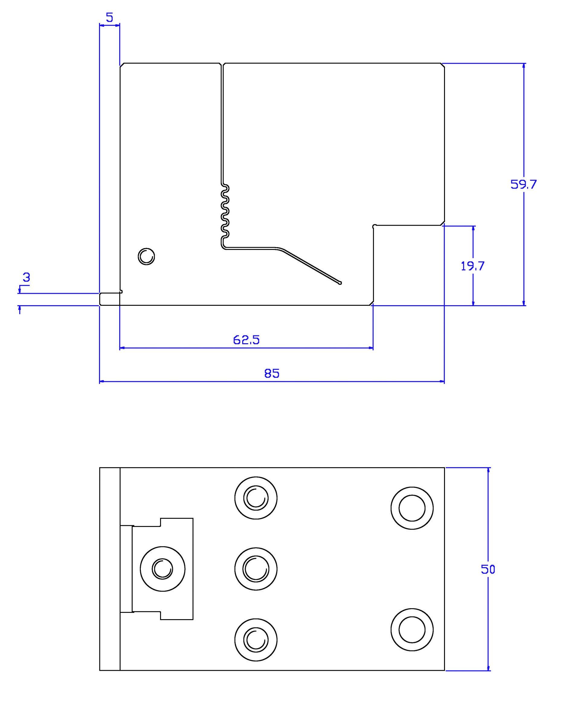
Adjustable clamp - body


Adjustable clamp body with height 60 mm.
Fixing capacity according to the jaw used.
Supplied along with stop 01­S.
A base of the 02 line or a crossbar is required for anchoring to the machine table.
The workpiece is 3.3 mm above the machine table, allowing free passage of the lower thread guide head.
CHF 950,00