01 - 4085R
01 - 4085R
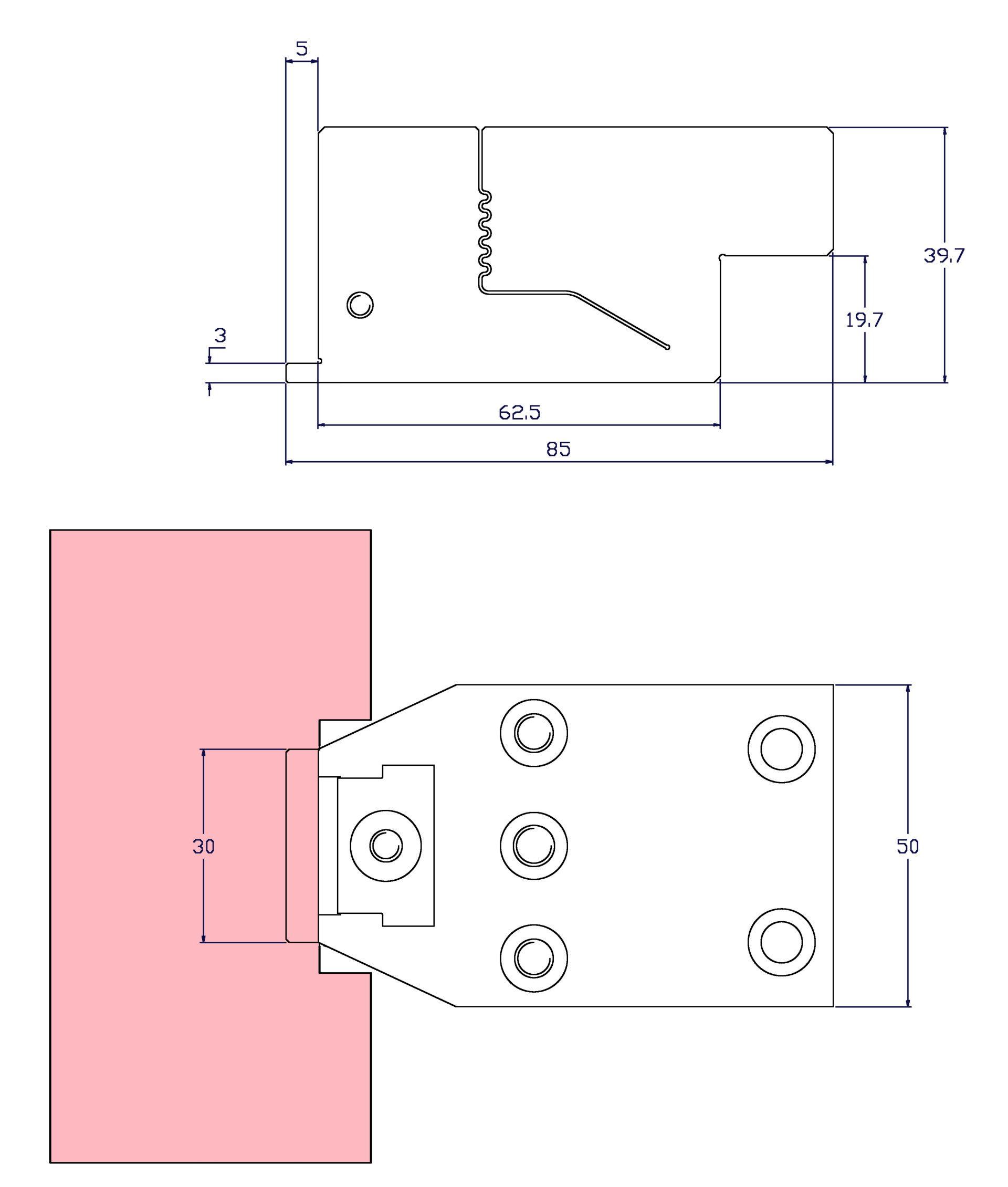
Adjustable clamp - body
Adjustable clamp - body
Adjustable clamp body with height 40 mm.
Fixing capacity according to the jaw used.
With a tapering in the frontal part (nose), which reduces the width to only 30 mm.
A base of the 02 line or a crossbar is required for anchoring to the machine table.
The workpiece is 3.3 mm above the machine table, allowing free passage of the lower thread guide head.
CHF 968,00









